INCONCEL 718 मिश्र धातु बट वेल्डिंग पाइप फिटिंग

INCONCEL 718 मिश्र धातु बट वेल्डिंग पाइप फिटिंग
INCONCEL 718 बट वेल्ड फिटिंग का उपयोग कठोर औद्योगिक वातावरण में पाइप और अन्य घटकों को जोड़ने के लिए किया जाता है, जैसे कि एयरोस्पेस, रासायनिक, और बिजली उत्पादन उद्योग . इन फिटिंग को उनकी उत्कृष्ट वेल्डेबिलिटी, उच्च तन्यता शक्ति, और ऑक्सीकरण और क्षरण के प्रतिरोध के लिए जाना जाता है .} .
718 मिश्र धातु पाइप फिटिंग के लिए उपयुक्त शर्तें क्या हैं?
INCONEL 718 मिश्र धातु पाइप फिटिंग (UNS N07718/W .} NR . 2.4668) एक उच्च-शक्ति, संक्षारण-प्रतिरोधी निकेल-क्रोमियम सामग्री है, जिसमें -200 डिग्री के साथ 720 डिग्री {{9} {

718 पाइप फिटिंग रासायनिक रचना
| श्रेणी | C | एम.एन. | साई | फ़े | S | करोड़ | अल | नी | |
| 718 | मिन . | – | – | – | बाम | – | 17.0 | 0.2 | 50.0 |
| अधिकतम . | 0.08 | 0.35 | 0.35 | बाम | 0.01 | 21.0 | 0.8 | 55.0 | |
INCONCEL 718 बटवेल्ड फिटिंग यांत्रिक गुण
| तत्व | घनत्व | गलनांक | तन्यता ताकत | उपज शक्ति (0.2%ऑफसेट) | बढ़ाव |
| 718 | 8.14 ग्राम/सेमी 3 | 1400 डिग्री (2550 डिग्री एफ) | साई - 80, 000, एमपीए - 550 | साई - 32, 000, एमपीए - 220 | 30 % |
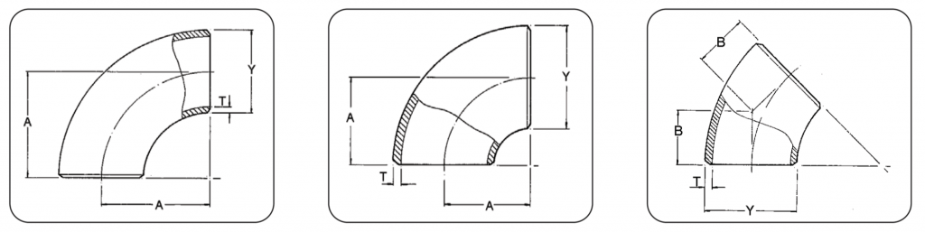
Incoloy 718 बटवेल्ड फिटिंग के आयाम:

| नामांकित पाइप करना |
बाहर व्यास |
90 डिग्री कोहनी | 45 डिग्री कोहनी | 180 डिग्री रिटर्न | ||||
|---|---|---|---|---|---|---|---|---|
| (इंच) | - | लम्बी त्रिज्या | शॉर्ट रेडियस | लम्बी त्रिज्या | लम्बी त्रिज्या | |||
| (मिमी) | (इंच) | केंद्र का सामना करना (इंच) |
केंद्र का सामना करना (इंच) |
केंद्र का सामना करना (इंच) |
RADIUS (इंच) |
केंद्र के लिए केंद्र (इंच) |
वापस सामना करना (इंच) |
|
| 1/2 | 21.3 | 0.840 | 1 1/2 | – | 5/8 | 2 | 1 7/8 | |
| 3/4 | 26.7 | 1.050 | 1 1/8 | 7/16 | 2 1/4 | 1 11/16 | ||
| 1 | 33.4 | 1.315 | 1 1/2 | 1 | 7/8 | 3 | 2 3/16 | |
| 1 1/4 | 42.2 | 1.660 | 1 7/8 | 1 1/4 | 1 | 3 3/4 | 2 3/4 | |
| 1 1/2 | 48.3 | 1.900 | 2 1/4 | 1 1/2 | 1 1/8 | 3 | 4 1/2 | 3 1/4 |
| 2 | 60.3 | 2.375 | 3 | 2 | 1 3/8 | 4 | 6 | 4 3/16 |
| 2 1/2 | 73.0 | 2.875 | 3 3/4 | 2 1/2 | 1 3/4 | 5 | 7 1/2 | 5 3/16 |
| 3 | 88.9 | 3.500 | 4 1/2 | 3 | 2 | 6 | 9 | 6 1/4 |
| 3 1/2 | 101.6 | 4.000 | 5 1/4 | 3 1/2 | 2 1/4 | 7 | 10 1/2 | 7 1/4 |
| 4 | 114.3 | 4.500 | 6 | 4 | 2 1/2 | 8 | 12 | 8 1/4 |
| 5 | 141.3 | 5.563 | 7 1/2 | 5 | 3 1/8 | 10 | 15 | 10 5/16 |
| 6 | 168.3 | 6.625 | 9 | 6 | 3 3/4 | 12 | 18 | 12 5/16 |
| 8 | 219.1 | 8.625 | 12 | 8 | 5 | 12 | 24 | 16 5/16 |
| 10 | 273.1 | 10.750 | 15 | 10 | 6 1/4 | 15 | 30 | 20 3/8 |
| 12 | 323.9 | 12.750 | 18 | 12 | 7 1/2 | 18 | 36 | 24 3/8 |

Gnee स्टील INCONCEL 718 मिश्र धातु बट वेल्डिंग पाइप फिटिंग का एक आपूर्तिकर्ता है, ट्यूब को कवर करना: सीमलेस ट्यूब: आकार: 4 - 219 मिमी; मोटाई: 0.5 - 20 मिमी; वेल्डेड ट्यूब: आकार: 5.0 - 1219.2 मिमी; मोटाई: 0.5 - 20 मिमी, प्लेट: प्लेट मोटाई 0 . 1 से 100 मिमी; प्लेट की चौड़ाई 10-2500 मिमी, स्ट्रिप्स, मिश्र धातु गोल बार आकार: व्यास 3-800 मिमी;, फ्लैट बार आकार: मोटाई 2-100 मिमी; चौड़ाई: 10-500 मिमी, हेक्सागोनल बार आकार: 2-100 मिमी;, तार और बाहर किए गए प्रोफाइल . हम स्टील मिलों के साथ काम करते हैं, जो 625 मिश्र धातु के साथ ग्राहकों को प्रदान करते हैं या कई प्रमुख उद्योग मानकों से अधिक होते हैं, जिनमें एएसटीएम, एएसएम, एएमएस, एएमएस, एएमएस, एएमएस, एएमएस, एएमएस, एएमएस, एएमएस, एएमएस, एएमएस, एएमएस, एएमएस, एएमएस, एएमएस, एएमएस, एएमएस, एएमएस,
Gnee स्टील स्टॉक और बेचता है 718 मिश्र धातु बट वेल्डिंग पाइप फिटिंग, ट्यूब, पाइप, प्लेट, प्लेट, स्ट्रिप्स, प्लेट, गोल बार, फ्लैट बार, जाली बिलेट, हेक्सागोन, तार और एक्सट्रूज़न . एक उद्धरण के लिए हमसे संपर्क करने के लिए स्वतंत्र महसूस करते हैंss@gneesteel.com






